Your location: Home > Product Center > Suspension Clamp > Malleable Iron Suspension Clamp

400-0577-203

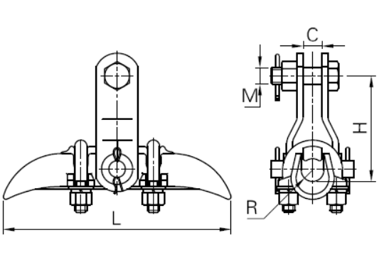
| Cat.No. | Overall Dia.(mm) | H (mm) | L (mm) | R (mm) | C (mm) | M (mm) | Failure Load(KN) |
| XGU - 1 | 5.0 - 7.0 | 82 | 180 | 4 | 18 | 16 | 40 |
| XGU - 2 | 7.1 - 13.0 | 82 | 200 | 7 | 18 | 16 | 40 |
| XGU - 3 | 13.1 - 21.0 | 102 | 220 | 11 | 18 | 16 | 40 |
| XGU - 4 | 21.1 - 26.0 | 109 | 250 | 13.5 | 18 | 16 | 40 |
| XGZ - 4009M | 5.0 - 7.0 | 82 | 180 | 4 | 18 | 16 | 40 |
| XGZ - 4014M | 7.1 - 13.0 | 82 | 200 | 7 | 18 | 16 | 40 |
| XGZ - 4022M | 13.1 - 21.0 | 102 | 220 | 11 | 18 | 16 | 40 |
| XGZ - 4027M | 21.1 - 26.0 | 109 | 250 | 13.5 | 18 | 16 | 40 |
Welcome to Hotline, we will provide you with detailed answers!